ModuClamp 169M – Swivel Plate Fitting
$7.24
Warning: To provide sufficient stability, whole structures must not be made from swivel fittings alone.
Figures given as guidance only, dimensions and weights are subject to manfacturing tolerances and may be altered without prior notice.
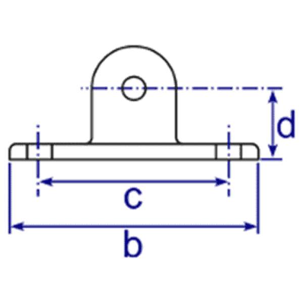
| Size | b (mm) | c (mm) | d (mm) | Hole Dia (mm) | Weight (kg) |
|---|---|---|---|---|---|
| – | 112 | 85 | 32 | 11 | 0.37 |
Do not perform any pre-drilling, tube cutting, casting uprights or any other dimensionally critical processes prior to receiving fittings.
$7.24
SKU: 010.01.169M
Categories: ModuClamp Fittings, QuickFit Fittings
Additional information
| Weight | 0.37 kg |
|---|---|
| Dimensions | 8 × 4 × 4 cm |



